Under Construction
BrewTool
The BrewTool is a combination timer and thermometer. The timer provides for 26 alarms over a time range from 0 to 999 minutes (16+ hours). The thermometer supports up to four temperature sensors. The settings for the alarms are retained in EEPROM when the unit is powered down. A photo of the front panel is shown below:

When this picture was taken I was 39 minutes into my mash and had 21 minutes to go. Three of the temperature probes were in the mash tun (red, yellow, and green) and one (blue) was in the sparge water that was being heated.
I built this thing to make my brewing a little easier. After doing all the work I decided to post it so that others might want to take a crack at building one. I don't know how much interest there is in this so I didn't put a lot of time into describing it. If I see that there is sufficient interest to expand the information I will do so.
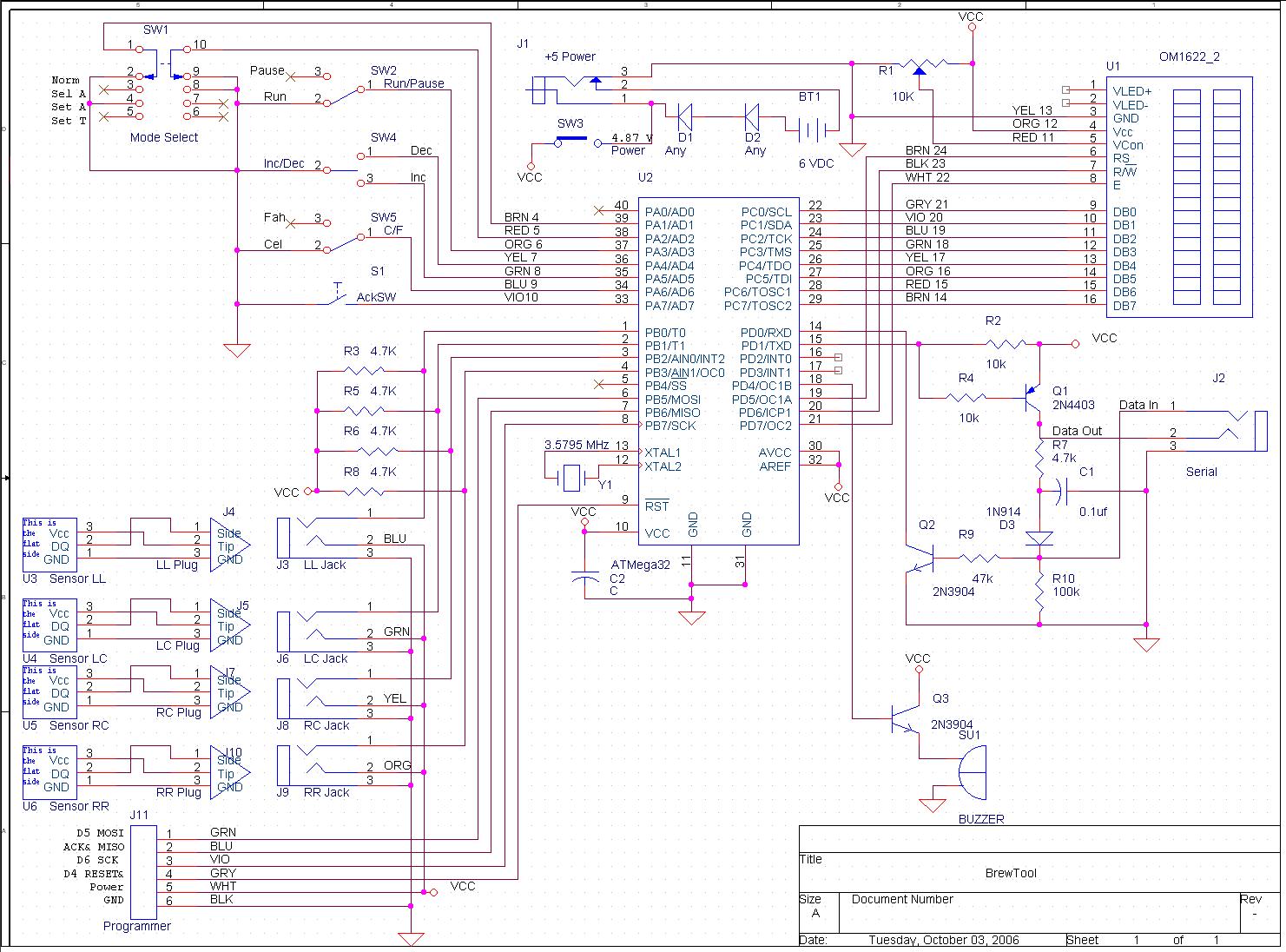
I used the Atmel ATMega 32 microprocessor chip because I had one. It has far more memory than needed and I don't use any of the A/D capability. For temperature sensors I used the Maxim (Dallas) DS18B20 1-Wire Digital Thermometer.
The box I used was used twice before this project. I built it for a project and when done I tossed it on the "spare parts" pile. Then I resurrected it for another project, removed some parts and put in some new ones. When that was done, back to the spare parts pile. When I decided to build the BrewTool I resurrected it again. That is why you see a few extra holes, the ACK switch is placed lower than the others, and some labeling could use more space.
I also used parts I had hanging around. For example if you look at the circuit diagram you will see that I used discrete transistors to make a serial interface, including tapping the serial port for the negative voltage. Normally I would have used a Max232 but I didn't have one handy.
The User's Manual can be downloaded. Just: Right click here and Save As
The Schematic Diagram can be downloaded. Just Right click here and Save As
More information can be found here. Construction Details
The Bill of Materials can be downloaded. Just Right click here and Save As
An Overlay for the panel can be downloaded. Just Right click here and Save As
If you build one, I would suggest making the layout on paper and taping it to the panel. Punch marks through the paper then cut and drill as appropriate. Then the Overlay and holes might line up better than mine did. Of course my panel had holes before I made the overlay.
Good luck at getting this to print the correct size.
The Hex file for the ATMega32 can be downloaded. Just Right click here and Save As
When I try to download this file something gives it the extension .htm. Change it to .hex
The initial EEPROM file can be downloaded. Just Right click here and Save As
When I try to download this file something gives it the extension .htm. Change it to .eep
Any questions, email me at the link below after removing the "NoSpam_":
Visior Count =