
Click Here To
View the Schematic (79.6k)
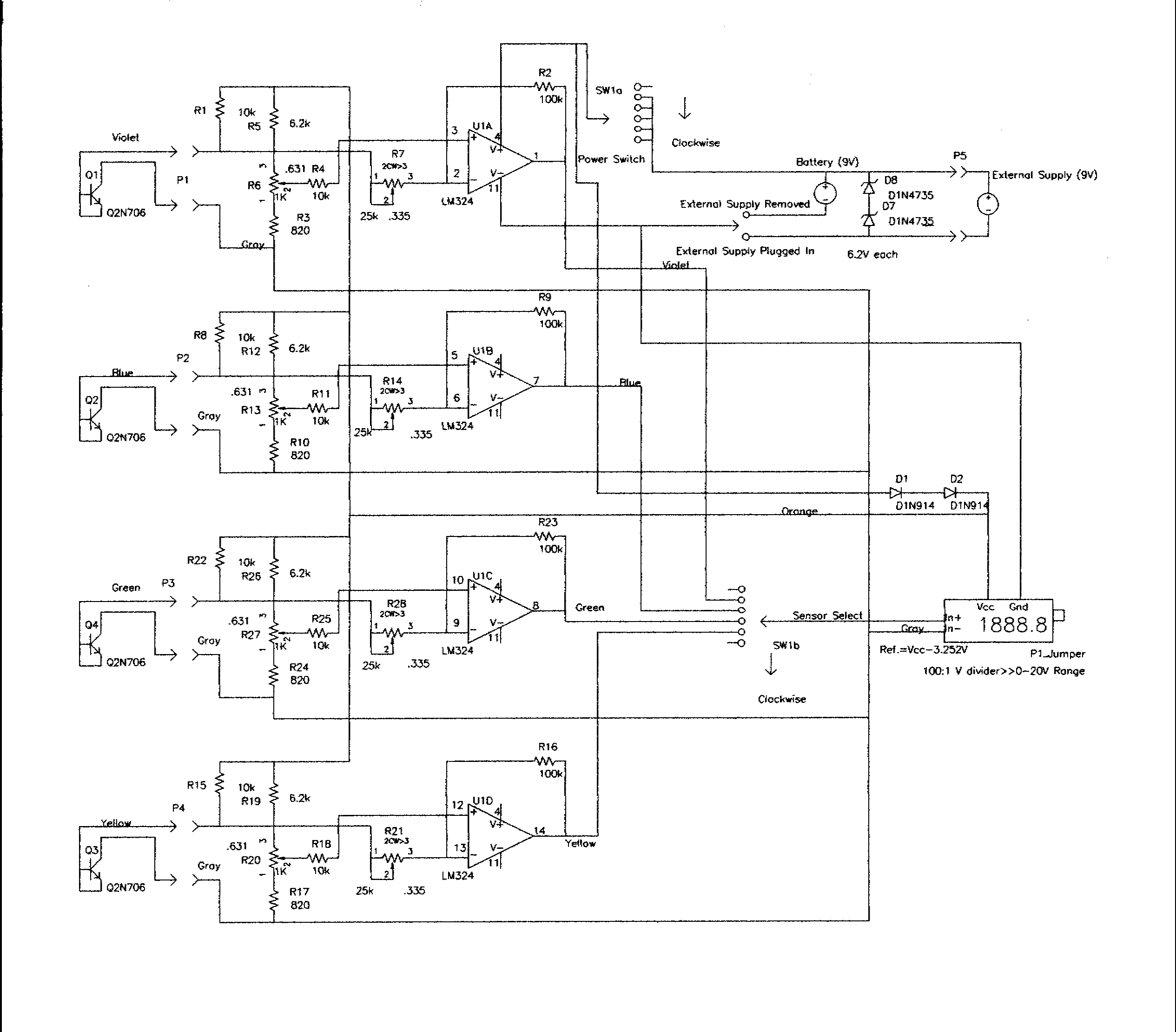
It is basically just
four temperature sensors and a selector switch so the output of any sensor can
be directed to a digital voltmeter. All of the theory of how it works can be
found on Ken Schwartz 's web page The only thing that is new is the
inclusion of diodes D1 and D2. They are to compensate for the fact that the
LM324 cannot reach an output voltage close to its power supply. These diodes
drop the voltage to the meter by 1.4V (nominally). Thus the LM324 is powered at
1.4V above the meter so it can drive the meter to full scale.
I altered the configuration of the potentiometers from that shown on Ken's
page. I was trying to reduce the interaction between the two pots. I am not
sure I achieved that goal. You can use either configuration of pots. The
calibration process is, as Ken describes, an iterative process. I try to set
the lower temperature with the voltage divider (R6 in the first circuit) then
the upper temperature with the other pot (R7).
I powered the unit from either an internal 9V battery or from an external 9V
"Wall Wort" power adapter. The connector (P5) is the type that
disconnects the battery when the adapter is plugged in. Diodes D8 and D9 limit
the voltage from the adapter. Some 9V adapters actually put out more than 12
volts when delivering low currents.
I picked up the meter from one of the surplus houses for under $10. It
generates a reference voltage of 3.252V below Vcc as opposed to 2.8V as
described on Ken's page.
The case, knob, and connectors are from Radio Shack .
For sensors, I managed to come up with some old transistors that were housed in
metal "top hat" style packages. I believe these types may react
faster to temperature changes since the case is metal. I also used the base to
collector junction rather than the base to emitter junction. In these packages
the collector is connected to the case so that should also help the response
time.
I have found the thermometer to be very stable. After 3 months, the four
sensors all agree within 1F.
If you have any questions or comments,
email me at the address below after removing "NoSpam_":